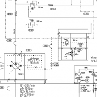
请教下,这个泵怎么实现的双流量和双压力控制,请各位大神帮忙分析下,小弟在此不胜感激!!

2020-11-19 14:51:33 来自版块 -  液压技术交流

求助各位大侠: 上传样本资料怎么上传

2020-11-06 14:36:58 来自版块 -  液压技术交流

最近来访

(7)

返回顶部