|
电液换向阀的内控、外控、内泄、外泄是在什么场合下使用的呢?大兰液压告诉您不同的控制方式与泄油方式可通过阀上堵头的设置进行切换。
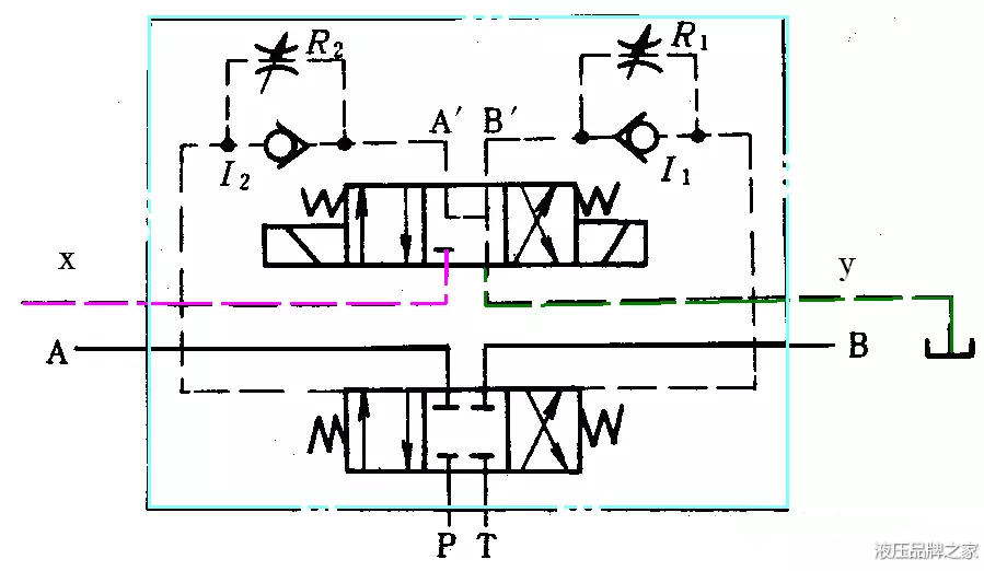
电液换向阀的内控、外控、内泄、外泄是在什么场合下使用的呢?大兰液压告诉您不同的控制方式与泄油方式可通过阀上堵头的设置进行切换。 电液换向阀控制油x可以取自主油路的P口(内控),也可以另设独立油源(外控)。 对于高压液压系统(P压力高),为防止换向冲击,控制油x不能取自主P口,要另设压力较低的独立油源,即采用外控式。 采用外控时,独立油源的流量不得小于主阀最大通流量的15%,以保证换向时间要求。 对于低压液压系统(P压力低),控制油x可以取自主油路的P口,即采用内控式。 用内控时,主油路必须保证最低控制压力(0.3~0.5MPa)。 电磁阀的回油y可以单独引出(外泄),也可以在阀体内与主阀回油口T沟通,一起排回油箱(内泄)。 对于主阀回油口T压力高的系统,为防止T背压过高导致先导阀回油y也过高,引起主阀换向阻力过大,回油y要与T隔开,单独回油箱,即采用外泄式。 对于回油口T压力低的系统,回油y可与T沟通,采用内泄式。 下图所示为外控外泄式电液换向阀油路,此类阀用于高压系统同时主回油路压力(背压)较高的场合。 图片:6362831123123437502150507.png
下图所示为内控内泄式电液换向阀油路,此类阀用于低压系统同时主回油路压力(背压)较低的场合。 图片:6362831107692187501992931.png
下图所示为内控外泄式电液换向阀油路,适用于低压系统同时主回油路压力(背压)较高的场合。 图片:6362831112960937506897517.png
下图所示为外控内泄式电液换向阀油路,适用于高压系统同时主回油路压力(背压)较高的场合。 图片:6362831119098437505580442.png |
|
|
沙发#
发布于:2018-05-24 06:31
讲解的透彻,内控外控具体的管路连接在系统中比较常见,但没有详细分析过使用场合与环境,学习了
|
|
|
地板#
发布于:2022-01-11 09:26
所谓的压力高的场合,大概多少MPa算压力高的呢
|
|
1:1
- 14:22:13[请教] 闭式液压行走系统如何防止打滑
- 14:26:43[样本] VIS 霨仕液压插装阀样本【全】
- 14:25:24[中国] 意大利 VIS 霨仕液压 · 进口螺纹插装阀
- 11:34:44[展会] 2023中国西部国际农机展览会,将于12月22日在西安临空会展中心隆重举行,期待您的参与!
- 11:34:18[展会] 12月22日中国西部国际农机展览会,将于西安临空会展中心隆重召开。
- 11:31:31[展会] 2023中国西部第八届国际农机展览会,将于12月22日隆重召开
- 15:43:02[其它] 【交流接触器型号含义作用原理】- 米思米机械设备知识分享
- 13:08:04[下载] 派克PVP泵
- 15:29:37[其它] 【变压器工作原理功能介绍】- 米思米机械设备知识分享
- 15:10:33[其它] 【变频器如何连接控制plc】- 米思米机械设备知识分享
- 16:25:36[样本] 力士乐选型软件
- 10:30:08[样本] atos阿托斯全套样本中文版
- 20:06:25[样本] 力士乐工业液压官方光盘版样本资料
- 10:26:26[样本] EATON伊顿液压样本(全套样本CD版)
- 11:52:43[样本] 派克PARKER全套样本-中英双语版本
- 20:36:59[样本] 伊顿全套软管接头样本
- 11:28:24[样本] 贺德克 HYDAC全套样本
- 17:20:22[样本] 萨奥-丹佛斯sauer-danfoss全套样本
- 13:31:58[样本] SUN太阳螺纹插装阀样本(中文版)
- 16:24:00[样本] Festo 产品样本 2015版选型软件










